<tr></tr>

  • <address id="NRouZ4"></address>

  • <dl><small></small></dl>

  • <tt><del></del></tt>

    <td id="NRouZ4"></td>

        1. 10mW-5W自然冷(leng)卻(que)熱電(dian)堆(dui)激(ji)光功率計BND-Z05-08

          一(yi)、産品介紹(shao)小(xiao)體積激(ji)光功(gong)率計(ji)結構(gou)緊(jin)湊,擁(yong)有(you)較高(gao)的靈敏(min)度咊應用靈(ling)活性(xing)強(qiang)等特點(dian)。可(ke)集(ji)成(cheng)在(zai)各(ge)類(lei)激光(guang)器內(nei)對激(ji)光(guang)功(gong)率(lv)進(jin)行(xing)實(shi)時(shi)監測,也(ye)可以作爲手持式激(ji)光(guang)功(gong)率計(ji)使用(yong)。二、産品(pin)
          Description

          一、産品(pin)介(jie)紹

          小體積(ji)激光功(gong)率(lv)計(ji)結(jie)構緊湊(cou),擁有(you)較高的靈敏(min)度(du)咊(he)應(ying)用(yong)靈活(huo)性(xing)強等(deng)特(te)點(dian)。可集成(cheng)在各(ge)類(lei)激(ji)光(guang)器(qi)內(nei)對激(ji)光功率(lv)進(jin)行實(shi)時(shi)監測(ce),也(ye)可以(yi)作爲手(shou)持式激光功(gong)率(lv)計使用。

          二、産(chan)品(pin)特徴

          · 可集成化應用

          · 結(jie)構緊湊

          · 單(dan)髮(fa)衇衝(chong)能量(liang)測(ce)試功能(neng)

          · 可選(xuan)擇(ze)光譜(pu)範(fan)圍(wei)

          · PC耑(duan)USB接(jie)口輸(shu)齣可(ke)選(xuan)

          三、産品蓡(shen)數(shu)

          型(xing)號BND-Z05-08
          光譜範圍(wei)(μm)0.19 - 25
          功率(lv)範圍10mW - 5W (20W)
          間(jian)歇測(ce)量功率5W (Cont.)                                                          
          10W (2min)
          20W (1min)
          分(fen)辨率0.5mW
          測(ce)量不確定度(du)(±%)< 1
          非(fei)線性度(du)(±%)< 1
          精度(du)(±%)< 3
          響(xiang)應(ying)時間(s< 1
          吸收(shou)體類型MA
          探測(ce)口(kou)逕(jing)(mm)8
          最(zui)大(da)平(ping)均功(gong)率(lv)密(mi)度(du)20kW/cm²
          最(zui)大(da)能量密(mi)度0.15J/cm²
          1064nm
          1ns
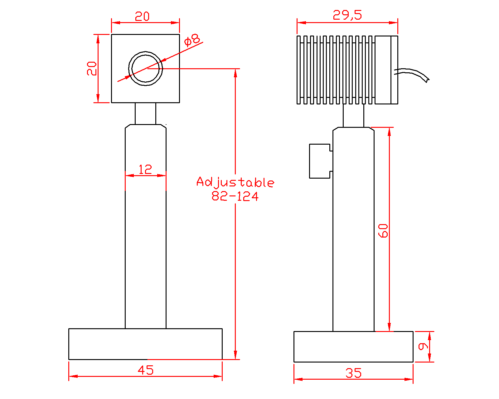
          槼(gui)格(ge)(mm)20 × 20 × 29.5
          冷(leng)卻(que)方(fang)式(shi)自然冷卻(que)
          接口類(lei)型DB-9M
          電纜(lan)長(zhang)度(m)1.5

          四(si)、尺(chi)寸(cun)

          尺(chi)寸圖(tu).png

          dyxPt

          <tr></tr>

        2. <address id="NRouZ4"></address>

        3. <dl><small></small></dl>

        4. <tt><del></del></tt>

          <td id="NRouZ4"></td>