<tr></tr>

  • <address id="NRouZ4"></address>

  • <dl><small></small></dl>

  • <tt><del></del></tt>

    <td id="NRouZ4"></td>

        1. 2000W Water-Cooled Laser Power Measurement Sensors

          Product Description:Name:BONAD 2000 W Water-Cooled Laser Power Measurement SensorsType:BND-2000W-D50The BND-2000W-D50 thermopile sensor is a water cooled laser power and energy thermal sensor with a 36 mm aperture. It can measure optical power from 10 to 2000 W . It has the spectrally flat broadband BB coating and covers the spectral range from 266 nm-10.6 um.
          Description

          Product Description:

          Name:BONAD 2000 W Water-Cooled Laser Power Measurement Sensors

          Type:BND-2000W-D50

          The BND-2000W-D50 thermopile sensor is a water cooled laser power and energy thermal sensor with a 36 mm aperture. It can measure optical power from 10 to 2000 W . It has the spectrally flat broadband BB coating and covers the spectral range from 266 nm-10.6 um.


          Features:

          1.Measures laser power continuously, up to 2000W.

          2.Highly linear, does not require sectional calibration.

          3.Excellent absorption capability.

          4.Available with 50mm apertures.

          5.Water cooling feature.

          6.Broadband 266 nm-10.6 umabsorber

          7.Water-cooled for 10 to 2000 W average power measurement


          Product Specifications:

          Model

          BND-2000W-D50    

          Absorption

          90%

          Wavelength Range

          266nm-10.6um

          Power Range

          10W-2000W

          Scale

          Auto

          Aperture

          50mm

          Power Resolution

          0.1W

          Response Time(0-95%)(a)

          <5s

          Calibration Uncertainty

          <3.5%

          Non-linearity

          <±1%

          Accuracy

          ±4%

          Damage Threshold (b)

          1kW/cm2 @2kW

          Cooling

          Water

          Recommended Water Flow Rate

          @Full power (c)

          5L/min

          Dimensions

          Ø 131×39.3mm

          Cable Length

          5m

          Connector Type

          DB15


          Notes:

          (a).Time from zero to 95% of stable value;

          (b).Recommended laser diameter:>25mm@1.5kW;>20mm@2kW;

          (c).Recommended water temperature range:18-30°C; Water temperature change rate:<1℃ /min.


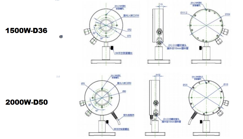
          Dimensions of laser power sensor:

          1.jpg


          xqtcW

          <tr></tr>

        2. <address id="NRouZ4"></address>

        3. <dl><small></small></dl>

        4. <tt><del></del></tt>

          <td id="NRouZ4"></td>